OVLÁDÁNÍ ČTYŘ POSUVNÝCH REGISTRŮ 4094
Vágner Vlastimil
Převodník umožňuje ovládat čtyři posuvné registry sériovým portem počítače,tyto pak mohou spínat různé doplňky.Volba ovládat posuvné registry počítačem byla zvolena pro snazší možnost řízení posuvných registrů a volby obrazců,programy byl oproti původním mírně upraveny.Pro ty kdož programují nebude problém si napsat vlastní program přímo pro Windows.Uvedené zapojení má sloužit pro vlastní inspiraci.
Popis přípravku
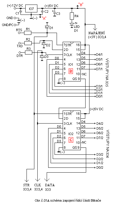
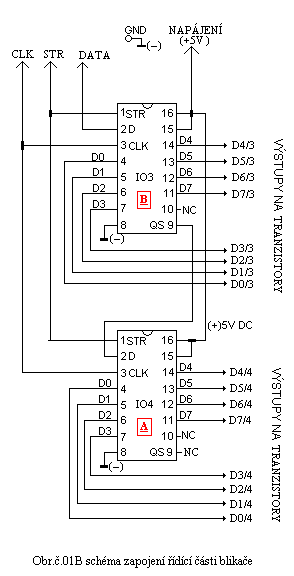
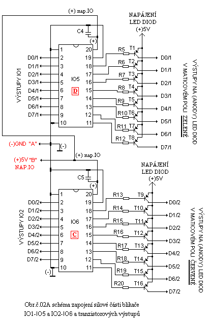
Zapojení přípravku je na obrázcích 1A,1B,2A,2B a Obr.č.03,na obrázcích 1A,1B je schéma propojení posuvných registrů,na obrázku 2A je schéma zapojení integrovaných obvodů IO5,IO6 co jsou osmibitové invertory které spínají báze tranzistorů T1 až T16,tranzistory T1 až T8 spínají zelené anody dvoubarevných led diod,tranzistory T9 až T16 spínají červené anody dvoubarevných led diod rezistory zapojené v anodách označené RX volíme dle proudu použitých dvoubarevných led diod při výpočtu volíme nižší provozní proud než je uvedený katalogový MAXIMÁLNÍ PROUD v případě že zvolíme pouze jeden rezistor RX ten zapojíme do KATODY jeho hodnotu si vypočítáme dle proudu dvoubarevné led diody a katalogového MAXIMÁLNÍHO PROUDU.Na obrázku 2B je zapojení tranzistorů T21 až T36 uvedené tranzistory spínají katody dvoubarevných led diod,na obrázku č.03A je vlastní nákres maticového displeje z dvoubarevných led diod o celkovém počtu 128 kusů a zapojení jedné řady dvoubarevných led.Je možné zvolit jednobarevné led diody a tak zvýšit počet na 256 kusů.Napájení Integrovaných obvodů IO1,IO2,IO3,IO4,IO5,IO6 převodníku je stabilizováno na napětí 5V integrovaným obvodem IO7.Napájení maticového displeje je pro větší proudový odběr ze zdroje o napětí 5V a proudu 4A.Při použití dvou zdrojů propojíme tyto zdroje na záporných svorkách (-).
Ovládání přípravku
Posuvné registry jsou označené IO1“D“,IO2“C“,IO3“B“,IO4“A“ řízení posuvných registrů ze strany PC je pomocí výstupních linek sériového portu RTS,TXD,DTR,jako první se v programu zadává hodnota za „A“ pak za „B“ za „C“ a nakonec za „D“.Zadá hodnota za „A“ tato je poslána na poslední IO4“A“.POZOR MAXIMÁLNÍ HODNOTA KTERÁ SE MŮŽE ZADAT DO JAKÉHOKOLIV IO1 AŽ IO4 JE OD 0 DO 255 COŽ JE SOUČET VŠECH BITŮ D0 AŽ D7 viz tabulky označené tab.01 a tab.02 tyto jsou součástí tohoto adresáře.V první tabulce je hodnota bitů zleva doprava to znamená od bitu s nejvyšší vahou D7 po bit s nejnižší vahou D0.V druhé tabulce jsou uvedeny hodnoty tak jak je zadáváme do IO1 až IO4 dle bitů které chceme aktivovat to znamená uvést do logické jedničky.Pokud zadáme například za „A“ hodnotu 255 a za B,C,D „0“ budou pouze výstupy D0 až D7 IO4“A“ v logické jedničce a výstupy D0 až D7 integrovaných obvodů IO1“D“,IO2“C“,IO3“B“ budou v logické nule.Podrobné popisování ovládání posuvných registrů 4094 pro jejich jednoduchost považuji za zcela zbytečné.
Popis programů
Programy jsou odladěny v Turbo Pascalu jejich spuštění je možné pod OS DOS,WINDOWS95/98,pod OS WINDOWS2000,XP,NT jdou spustit pouze z příkazové řádky pokud jsou uvedené OS řádně nainstalovány jako 32-bitové.V případě že uvedené OS jsou nainstalovány jako 64-bitové nelze programy spustit.Počítač nemusí mít pro možnost spuštění programů pro ovládání přípravku ani pevný disk HDD stačí pokud má floppy mechaniku v tom případě si vytvoříme bootovací disketu a přihrajeme uvedené programy.Pod OS Win95/98 jdou programy spustit také z příkazové řádky nebo při startu počítače klávesou F8 zvolíme pouze DOS.
Program TEST.EXE
Program na otestování hotového převodníku nebo k ovládání různých zařízení ovládaných posuvnými registry(relátka,optotriaky a podobně).Po spuštění programu zadáme hodnotu sériového portu kde je připojený přípravek volbu volíme stiskem klávesy s číslicí 1 až 4.Stiskem klávesy s číslicí 1 volíme port com1 atd.Po volbě portu zadáme hodnotu za „A“ hodnotu zadáváme v rozsahu od „0“ do 255 po zadání stiskneme klávesu ENTER a zadáme hodnotu za „B“ tu zadáváme opět v rozsahu od „0“ do 255 a opět stiskneme klávesu ENTER stejně postupujeme i za zadání hodnoty za „C“ a za „D“ po posledním zadání program provede dle zadaných hodnot přepis na posuvné registry a na jejich zadaných výstupech se objeví logické jedničky.Jiné zadání můžeme provést po stisknutí klávesy MEZERNÍK po jejím stisknutí program vynuluje posuvné registry a čeká na nové zadání ukončení programu je klávesou ESC.Po jejím stisknutí program vynuluje posuvné registry smaže obrazovku a ukončí se.
Program SOUBOR.EXE
Program pro vytvoření datového souboru pro soubor LED.EXE dle kterého tento program poté rozsvěcí požadované led (zapíná výstupy posuvných registrů).Program SOUBOR.EXE vytvoří soubor s názvem PRVNÍ.DAT.Po jeho spuštění se zobrazí VYTVOŘENÝ SOUBOR BUDE MÍT NÁZEV PRVNÍ.DAT poté se zobrazí písmenko x = za toto písmenko zadáme hodnotu v rozsahu od „0“ do 255 a stiskneme klávesu ENTER.Po jejím stisku program testuje zda nebyla stisknuta klávesa ESC POKUD NEBYLA STISKNUTA zobrazí se pod zadanou hodnotou opět x = zadáme další hodnotu ve stejném rozsahu a stiskneme opět klávesu ENTER po námi posledním zadání za x = a stisku klávesy ENTER stiskneme ihned klávesu ESC a program se ukončí,v adresáři kde je program SOBOUR.EXE se vytvoří soubor s názvem PRVNÍ.DAT.Upozornění program MŮŽEME UKONČIT PO ZADÁNÍ NEJMÉNĚ ČTYŘ HODNOT ZA „X“ tzv. že musíme mít celkem čtyři hodnoty ! PŘÍKLAD : x = 1 , x = 128 , x = 255 , x = 250,.V tomto souboru si tvoříme obrazce které chceme aby se zobrazovali na maticovém displeji z led diod.POZOR SOUBOR S NÁZVEM PRVNÍ.DAT SE MUSÍ NACHÁZET VE STEJNÉM ADRESÁŘI JAKO PROGRAM LED.EXE!!!!!Program LED.EXE načítá najednou čtyři hodnoty ze souboru PRVNÍ.DAT to znamená že si musíme vždy vytvořit počet hodnot tak aby bylo možné načíst vždy najednou čtyři hodnoty.Příklad :
X = 255,x = 12,x = 56,x = 63 toto je první čtveřice , x = 0,x = 200,x = 3,x = 158 druhá čtveřice atd.
Program LED.EXE
Program na ovládání posuvných registrů dle souboru s názvem PRVNÍ.DAT po spuštění programu a volbě sériového portu ten volíme stejně jako u programu TEST.EXE po volbě portu zadáme dobu po jaké se budou měnit (přepínat výstupy)posuvných registrů po zadání doby program LED.EXE již načítá hodnoty ze souboru PRVNÍ.DAT a spíná led diody.Pokud program po spuštění nenajde soubor PRVNÍ.DAT zobrazí na monitoru počítače že nelze najít soubor PRVNÍ.DAT a požádá o stisk klávesy ESC po jejím stisku se program ukončí.Program LED.EXE ukončíme stiskem klávesy ESC.
Program CD4094.EXE
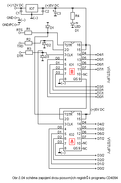
Program pro ovládání dvou posuvných registrů je zde pouze jako ukázkový společně se souborem CD4094.PAS pro inspiraci při psaní vlastních ovládacích programů.Program může být použit přímo i pro ovládání různých přípravků.Po volbě portu ten volíme stejně jako u programů popsaných výše se na monitoru zobrazí zadej hodnotu za „ A „ zde zadáváme hodnotu od 0 do MAXIMÁLNĚ 255 po zadání hodnoty stiskneme klávesu ENTER.Dále se zobrazí zadej hodnotu za „ B „ zde platí stejné hodnoty tj. od 0 do MAXIMÁLNĚ 255 po zadání hodnoty stiskneme klávesu ENTER a počítač zadané hodnoty pošle do posuvných registrů.Nové zadání hodnot je možné po stisku klávesy MEZERNÍK ukončení programu je klávesou ESC.Zdrojový soubor je velice jednoduchý a je možné ho napsat více způsoby to záleží na uživateli který způsob si zvolí pokud si bude psát program sám,osobně jsem zvolil tento snad nejjednodušší způsob napsání programu na ovládání uvedených registrů počítačem.Současně je zde použita unita FDELAY tato byla ke stažení na stránkách firmy Borland pro umožnění spouštění exe souborů na počítačích s rychlejšími procesory nad 200Mhz.Pro ty kdož chtějí používat program na uvedených procesorech nad 200Mhz je možné použít i soubor TPPATCH který překonvertuje již hotový soubor EXE.Zapojení dvou registrů je na Obr.č.04.





Seznam součástek.
INTEGROVANÉ OBVODY :
IO1,IO2,IO3,IO4 ……C4094 + patice, IO5,IO6…..74LS540 + patice, IO7….78S05
DIODY :
D1,D2,D3…..Zenerovy 4.7V,Led dioda D1…2V/0.002A 3mm
TRANZISTORY :
T1 – T16……BC640 , T21 – T36…….BC639 ,
REZISTORY: ZATÍŽENÍ 0.6W TYP R0207
R1,R2,R3……10K , R4….2K2 , R5 – R36……1K5 , RX….dle popisu
KONDENZÁTORY :
C1,C2……100NF/ keramika , C3…..1000uF/16V , C4,C5…..47NF/keramika
Led Diody : zelená / červená
dvoubarevné typ : L5R1G1 společná katoda počet dle vlastní potřeby max.128Ks
Bližší informace : vagnervlastimil@seznam.cz

Hodnoty a očíslování součástek Obr.č.04 jsou shodné se zapojením obrázku Obr.č.01A